May 2015

final section of seawall throwback Having proven the 500mm section of seawall throwback I built a 2m section and started mixing...
Here's the final section prior to pouring concrete. I have to say I have been very lucky with the weather and all concrete was cast in fair conditions with rain between. Perfect concreting.

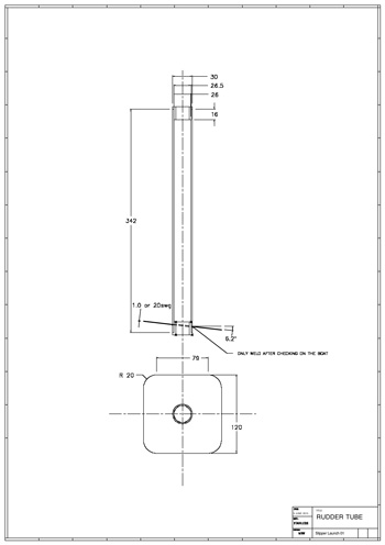
After consultation with the best fabricator in Surrey, Austen of OzCraft, I finally got round to the revised rudder tube design.
Hopefully he can turn this around for me over the next couple of months.
My plan is to loacte this first then finalise the rudder metalwork.

final section of seawall throwback

final section of seawall throwback